
| ▋ 应用 |
|
● X射线CT断层扫描 ● 在线X-ray检测
|
| ▋ 适用对象 |
|
● 电子元件 ● 电路板 ● 塑料部件 ● 金属部件
|
| ▋ 技术参数 |
| 常规 |
|
参数 |
描述 / 值 |
单位 |
|
输入电压 (DC) |
+24 |
V |
|
最大功率消耗 |
96 |
W |
|
操作环境温度 |
+10 - +40 |
°C |
|
存储环境温度 |
0 - +50 |
°C |
|
操作和储存湿度 |
低于85 (无凝结) |
% |
|
重量 |
约9 |
kg |
|
执行标准 |
CE (EMC: IEC 61326-1, Group1, Class A) |
— |
|
操作 |
连续 |
— |
|
高压电源 |
内置 |
— |
|
|
|
参数 |
描述 / 值 |
单位 |
|
X射线管 |
封闭式 |
— |
|
X射线管冷却方式 |
风冷 |
— |
|
X射线窗口材料/厚度 |
铍/150 |
μm |
|
靶材料 |
钨 |
— |
|
管电压操作范围 |
40 到 90 |
kV |
|
管电流操作范围1 |
10 到 200 (8 W时最大) |
μA |
|
最大输出 |
8 |
W |
|
X射线焦斑尺寸 |
7 (4 W时5 μm) |
μm |
|
X射线束角(锥形) |
30 |
度 |
|
焦点到物体距离(FOD) |
11 |
mm |
|
|
|
参数 |
描述 / 值 |
单位 |
|
功能 |
管电压和管电流预设 /自动预热 |
— |
|
保护 |
安全互锁 |
— |
|
外部控制 |
RS-232C |
— |
|
兼容 OS |
Windows® 2000专业版, XP专业版 |
— |
|
电脑操作条件 |
CPU: 英特尔奔腾或更高, 内存: 64 MB或更高 |
— |
|
备注: |
1.见X光管电压/电流操作范围曲线图. |
| ▋光管电流操作范围 |
![]() |
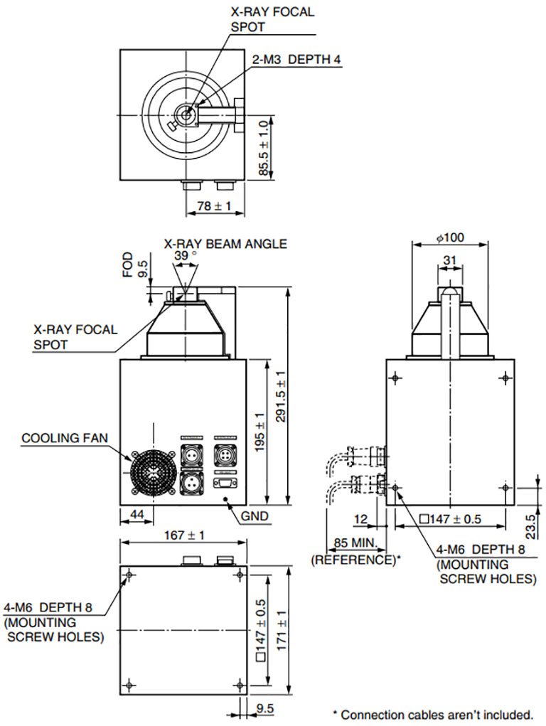
| ▋尺寸轮廓 |
|
|










3168428363@qq.com